|
|
|
Doidge Fastenings Ltd.
Rivets, rivet setting machines and fasteners
|
|
|
1 - 2 George Baylis Road, Berry Hill Industrial Estate
Droitwich, Worcestershire WR9 9RB
TEL: 01905 779448 FAX: 01905 796643 info@doidge.com
|
|
|
|
|
|
|
|
|
|
|
|
|
|
 |
|
|
|
Products
|
|
|
|
|
|
|
|
) |
|
|
|
|
|
|
|
|
|
|
|
|
|
|
|
Pressings
|
|
|
|
|
|
DIN 7340 Eyelets
|
|
|
|
|
|
|
|
|
|
|
|
|
|
Din 7340
Tube Eyelets
|
|
|
|
Tube eyelets are manufactured from precision tube which give them a superior quality than conventional eyelets produced from sheet metal
|
|
|
Type of head:
. Type A (Flat)
· Type B (Round)
· Type C (Countersunk)
|
|
Material:
Standard material is Brass clean material can also be found in copper, steel, aluminium and stainless steel
|
|
|
|
 |
 |
 |
|
|
Type A: Flat Head
|
|
Type B: Round Head
|
|
Type C: Countersunk Head
|
|
|
|
 |
|
|
|
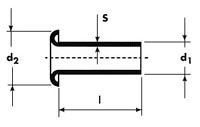
EYELET DIMENSIONS |
|
|
|
|
D
|
1.2
|
1.5
|
2
|
2.5
|
3
|
3.5
|
4
|
4.5
|
5
|
5.5
|
6
|
8
|
|
Diameter d1
+/-
|
0.03
|
0.03
|
0.03
|
0.05
|
0.05
|
0.07
|
0.07
|
0.07
|
0.07
|
0.07
|
0.1
|
0.1
|
|
Int. Diameter
+/- 0.10
|
0.8
|
1
|
1.4
|
1.9
|
2.4
|
2.9
|
3.2
|
3.7
|
4.1
|
4.5
|
5.14
|
7
|
|
Thickness E
|
0.2
|
0.25
|
0.3
|
0.3
|
0.3
|
0.3
|
0.4
|
0.4
|
0.45
|
0.5
|
0.43
|
0.5
|
|
Diameter d2
|
2
|
2.5
|
3.2
|
4
|
4.5
|
5.2
|
6
|
6.6
|
7.5
|
8.1
|
9
|
12
|
|
Tolerance on
Diameter d2
+/-
|
0.15
|
0.20
|
0.20
|
0.20
|
0.20
|
0.30
|
0.30
|
0.30
|
0.30
|
0.30
|
0.30
|
0.30
|
|
Roll R.
|
0.25
|
0.30
|
0.40
|
0.40
|
0.50
|
0.50
|
0.60
|
0.60
|
0.70
|
0.80
|
0.90
|
1
|
|
Length S.
|
1
|
1.2
|
1.5
|
1.6
|
1.8
|
2.2
|
2.5
|
2.5
|
2.5
|
3
|
3.5
|
4.5
|
|
Length L.
(min. max.)
|
1-15
|
1.5-40
|
2-60
|
2-60
|
3-100
|
3-120
|
3-120
|
3-80
|
3.80
|
4-80
|
4-80
|
4-80
|
|
|
|
Dimension in mm |
|
|
| TOLERANCE ON LENGTH |
|
|
|
1 to 3 mm
|
3.5 to 6 mm
|
6.5 to 10 mm
|
10.5 to 20 mm
|
20.5 to 30 mm
|
30.5 to 60 mm
|
60.5 to 80 mm
|
|
+/- 0.12
|
+/-0.15
|
+/-0.18
|
+/-0.20
|
+/-0.25
|
+/-0.30
|
+/-0.35
|
|
|
|
|
|
|
|
|
|
|
|
|
|
|
|
|
|
|
|
|
|
|
|
|
|
|
|
|
|
|
|
|
|
|
|
|