|
 |
|
Doidge Fastenings Ltd.
Rivets, rivet setting machines and fasteners
|
|
 |
|
| 1 - 2 George Baylis Road, Berry Hill Industrial Estate
Droitwich, Worcestershire WR9 9RB
TEL: 01905 779448 FAX: 01905 796643 info@doidge.com |
|
|
|
|
|
|
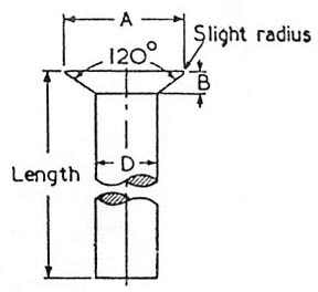
BS 641 table 7.
Countersunk Head Solid Rivet (120º)
|
|
|
|
 |
|
Standard Proportions:
|
|
|
|
A= 2 D
B= 0.29 D
|
|
|
|
|
NOMINAL DIA.
|
HEAD DIA.
|
HEAD DEPTH
|
|
|
D
|
A
|
B
|
|
|
Inch
|
mm
|
Inch
|
mm
|
Inch
|
mm
|
|
1/8
|
0.125
|
3.18
|
0.250
|
6.35
|
0.036
|
0.91
|
|
3/16
|
0.188
|
4.76
|
0.375
|
9.53
|
0.054
|
1.37
|
|
1/4
|
0.250
|
6.35
|
0.500
|
12.70
|
0.073
|
1.85
|
|
5/16
|
0.313
|
7.94
|
0.625
|
15.88
|
0.091
|
2.31
|
|
3/8
|
0.375
|
9.53
|
0.750
|
19.05
|
0.109
|
2.77
|
|
|
|
Materials available:
|
Most materials including Steel, Brass, Copper, Aluminium,
Aluminium Alloy and Stainless Steel (430 & 394 type).
|
|
|
| © 2002/2003 Doidge fastenings Ltd. |
|
|
|
|
|
|
|
|
|
|
|
|
|
|
|
|
|
|
|